所属类别:单梁起重机→LD单梁起重机
产品介绍:
LD单梁起重机桥架的主梁多采用工字型钢或钢型与钢板的组合截面。起重小车常为手拉葫芦、电动葫芦或用葫芦作为起升机构部件装配而成。单梁桥式起重机广泛应用于机械制造车间、冶金车间、石油、石化、港口、铁路、民航、电站、造纸、建材、电子等行业的车间、仓库、料场等。具有外形尺寸紧凑、建筑净空高度低、自重轻、轮压小等优点。
D型电动单梁起重机是在“LD”的基础上进行改进设计的,较“LD型”具有结构合理,整机刚性强的特点。整机与CD型、MD型电动葫芦配套使用,是一种轻小型的起重机械。
其起重量为1t-10t。跨度为7.5-22.5m, 工作级别为A3-A5,工作环境温度为-25度-40度。本产品广泛用于工厂、仓库、料场等不同场合吊运货物,禁止在易燃、易爆、腐蚀性介质环境中使用。本产品设有地面和操纵室两种操作形式。操纵室有开式、闭式两种,可根据实际情况分为左或右两种形式,入门方向有侧面及端面两种,以满足用户在各种不同需要的情况下进行选择。
产品特点:
电动葫芦小车在主梁下翼缘运行,电动葫芦布置在主梁下方的桥式起重机。经过LD型的改进,形成了一种叫LDA型(JB/T1306)的电动单梁起重机。另外还有不常见的电动单梁起重机的另外2种型号:LDP型电动单梁起重机(偏挂式)和LDC型电动单梁起重机(欧式)。
产品参数:
| 跨 度 | 提升 高度 | 工作制度 | 电流 种类 | 大车运行机构 | 配套电 | 吊车 总长 | 主 要 尺 寸 | 总 重 | 最 大 轮 压 | ||||||||||||||||||||||||||||||||||||
| 运行速度 | 电动机 | h | H | L1 | L2 | K | B | Total weight | Max. Wheel Loading | ||||||||||||||||||||||||||||||||||||
| 地面操纵 | 操纵室操纵 | 型号 | 功率 | 型号 | 起升速度 | 运 行 速 度 | 1t | 2 t | 3 t | 5 t | 1 0 t | 1 t | 2 t | 3 t | 5 t | 1 0 t | 1 t | 2 t | 3 t | 5 t | 1 0 t | 1 t | 2 t | 3 t | 5 t | 1 0 t | 1 - 5 t | 1 0 t | 1 - 5 t | 1 0 t | 1t | 2t | 3t | 5t | 10t | 1t | 2t | 3t | 5t | 10t | |||||
| m | m | m/min | kw | m/ min | m | t | KN | ||||||||||||||||||||||||||||||||||||||
| 7.5 |
6 9 12 18 24 30
| A5 | 3 8 0 V 5 三
| 30
20
| 30
45
| ZD Y 21 -4
ZDR | 2 0.8
2× 1.5 | MDI 型
CDI | 8 / 0 . 8 7
8 7 | 2 0 | 跨度span S+2× 130 | 810 | 1 0 0 0 | 1 1 5 0 | 1 3 8 0 | 1 4 6 0 | 4 9 0 | 4 9 0 | 5 3 0 | 5 8 0 | 8 3 0 | 7 9 6 | 8 7 1 . 5 | 8 1 8 . 5 | 8 4 1 . 5 | 1 2 3 5 | 1 2 7 4 | 1 2 9 2 . 5 | 1 2 9 1 | 1 3 1 0 | 1 9 3 5 | 2 0 0 0 | 2 0 0 0 | 2 5 0 0 | 2 5 0 0 | 2.26 | 2.4 | 2.51 | 2.8 | 4.3 | 13.8 | 19.4 | 24.5 | 35.8 | 67 |
| 8 | |||||||||||||||||||||||||||||||||||||||||||||
| 2.3 | 2.5 | 2.6 | 2.9 | 4.4 | 13.9 | 19.5 | 24.6 | 35.9 | 67 | ||||||||||||||||||||||||||||||||||||
| 8.5 | |||||||||||||||||||||||||||||||||||||||||||||
| 2.4 | 2.5 | 2.62 | 2.9 | 4.5 | 14.0 | 19.6 | 24.8 | 36.0 | 67 | ||||||||||||||||||||||||||||||||||||
| 9 | |||||||||||||||||||||||||||||||||||||||||||||
| 2.6 | 2.7 | 2.98 | 4.62 | 4.6 | 14.2 | 19.8 | 24.9 | 36.2 | 69 | ||||||||||||||||||||||||||||||||||||
| 9.5 | |||||||||||||||||||||||||||||||||||||||||||||
| 2.5 | 2.6 | 2.73 | 3.05 | 4.7 | 14.3 | 19.9 | 25.0 | 36.3 | 69 | ||||||||||||||||||||||||||||||||||||
| 10 | |||||||||||||||||||||||||||||||||||||||||||||
| 2.51 | 2.64 | 2.8 | 3.1 | 4.8 | 14.4 | 20.0 | 25.2 | 36.5 | 70 | ||||||||||||||||||||||||||||||||||||
| 10.5 | |||||||||||||||||||||||||||||||||||||||||||||
| 2.6 | 2.75 | 2.9 | 3.2 | 5.0 | 14.5 | 20.1 | 25.3 | 36.6 | 70 | ||||||||||||||||||||||||||||||||||||
| 11 | |||||||||||||||||||||||||||||||||||||||||||||
| 1 4 9 5 | 8 7 5 | 2.0 | 2.7 | 2.84 | 3.2 | 5.1 | 14.6 | 20.2 | 25.4 | 36.7 | 71 | ||||||||||||||||||||||||||||||||||
| 11.5 | |||||||||||||||||||||||||||||||||||||||||||||
| 1 0 5 0 | 1 4 0 0 | 5 8 0 | 6 6 0 | 2.04 | 2.87 | 3 | 3.7 | 5.2 | 14.7 | 20.5 | 25.6 | 36.8 | 73 | ||||||||||||||||||||||||||||||||
| 12 | |||||||||||||||||||||||||||||||||||||||||||||
| 2.1 | 2.93 | 3.1 | 3.8 | 5.3 | 14.8 | 20.6 | 25.8 | 38 | 73 | ||||||||||||||||||||||||||||||||||||
| 12.5 | |||||||||||||||||||||||||||||||||||||||||||||
| 2 5 0 0 | 2 5 0 0 | 3 0 0 0 | 3 0 0 0 | 2.8 | 3.0 | 3.2 | 3.9 | 5.4 | 15.1 | 20.9 | 26.1 | 38.3 | 73 | ||||||||||||||||||||||||||||||||
| 13 | |||||||||||||||||||||||||||||||||||||||||||||
| 2.86 | 3.1 | 3.2 | 3.97 | 5.5 | 15.3 | 21.1 | 26.2 | 38.5 | 73 | ||||||||||||||||||||||||||||||||||||
| 13.5 | |||||||||||||||||||||||||||||||||||||||||||||
| 2.9 | 3.1 | 3.3 | 4 | 5.6 | 15.4 | 21.2 | 26.4 | 38.7 | 73 | ||||||||||||||||||||||||||||||||||||
| 14 | |||||||||||||||||||||||||||||||||||||||||||||
| 1 5 0 5 | 8 8 5 | 3 | 3.2 | 3.3 | 4.1 | 5.7 | 15.5 | 21.3 | 26.5 | 38.9 | 74 | ||||||||||||||||||||||||||||||||||
| 14.5 | |||||||||||||||||||||||||||||||||||||||||||||
| 860 | 1 0 6 0 | 1 1 7 0 | 1 4 1 5 | 5 8 0 | 6 6 0 | 7 8 5 | 3.1 | 3.3 | 3.93 | 4.5 | 5.8 | 15.8 | 21.7 | 27.8 | 38.8 | 74 | |||||||||||||||||||||||||||||
| 15 | |||||||||||||||||||||||||||||||||||||||||||||
| 3.2 | 3.4 | 4 | 4.6 | 5.9 | 16.0 | 21.8 | 28.0 | 40.0 | 75 | ||||||||||||||||||||||||||||||||||||
| 15.5 | |||||||||||||||||||||||||||||||||||||||||||||
| 3.2 | 3.5 | 4.1 | 4.7 | 6.0 | 16.1 | 21.9 | 28.2 | 40.2 | 75 | ||||||||||||||||||||||||||||||||||||
| 16 | |||||||||||||||||||||||||||||||||||||||||||||
| 3.3 | 3.52 | 4.2 | 4.8 | 6.1 | 16.2 | 22.1 | 28.4 | 40.4 | 76 | ||||||||||||||||||||||||||||||||||||
| 16.5 | |||||||||||||||||||||||||||||||||||||||||||||
| 3.3 | 3.58 | 4.3 | 4.9 | 6.2 | 16.2 | 22.2 | 28.5 | 40.6 | 76 | ||||||||||||||||||||||||||||||||||||
| 17 | |||||||||||||||||||||||||||||||||||||||||||||
| 3.38 | 3.64 | 4.3 | 4.97 | 6.4 | 16.5 | 22.3 | 28.9 | 40.8 | 77 | ||||||||||||||||||||||||||||||||||||
| 17.5 | |||||||||||||||||||||||||||||||||||||||||||||
| 870 | 1 0 7 0 | 1 1 7 5 | 1 4 3 0 | 5 4 0 | 6 7 0 | 7 5 5 | 8 3 0 | 3 0 0 0 | 3 0 0 0 | 3 5 0 0 | 3 5 0 0 | 3.14 | 4.7 | 5.14 | 5.5 | 7.5 | 17.4 | 24.8 | 31.0 | 42.3 | 80 | ||||||||||||||||||||||||
| 19.5 | |||||||||||||||||||||||||||||||||||||||||||||
| 1 1 1 0 | 1 2 0 0 | 1 4 7 5 | 5 8 0 | 7 9 5 | 8 3 0 | 8 8 5 | 4.2 | 5.58 | 5.8 | 6.7 | 8.2 | 18.4 | 26.8 | 32.4 | 45.0 | 82 | |||||||||||||||||||||||||||||
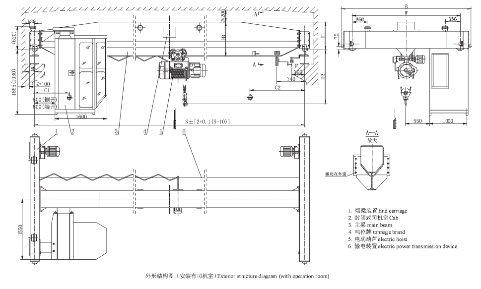
产品结构图:




备案号: